
2RMT14B4Sh1V1V仪表插头(座)不带
支管镀银触点。
设计用于在频率高达 3 MHz、电压为 560 或 700 V 的直流和交流电路中运行,具体取决于额定值。
它们用于连接和断开各种特殊和通用电气和无线电设备中的电路(电线、电缆、组件和模块)。
2РТ 连接器制造有八种设计版本,每种设计有 15 个标准额定值,总共有 825 个标准设计。
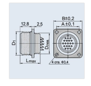
连接器由两部分组成:插头和插座。
插头和插座既可以是工具用的(块状),也可以是电缆用的。
连接器的仪表部分采用无插口或直插口,电缆部分采用直插口或斜插口。
连接器的接头是螺纹的,主体的极化是单键的。
触点电镀 - 金或银。
安装方法 - 焊接。
设计用于与屏蔽或非屏蔽电缆(电线)一起安装,同时改变支管端螺母的外观。
它们在连接器主体上标有字母数字代码。
根据 GOST 15150-69,它们适用于全气候版本 B2.1 的内部安装。
质量类别:“OTK”、“VP”、“OS”。
规格:
- 验收“1”ASHDK.434410.062TU;
- 验收“5”GE0.364.126TU;
- 接受“9”GE0.364.126TU,bR0.364.045TU。
2RMT 连接器的保质期为自生产之日起 15 年。
保修工作时间:
- 在规范允许的所有模式和条件下 1000 小时;
- 100,000 小时的灯光模式。
保修操作时间是在保修期内存放的。
符号解释:
2RMT14B4Sh1V1V
2RMT——连接器型;
14 - 身体的条件尺寸;
B——外壳类型:K——电缆,B——块(仪表);
P——支管型式:P——直型,U——角型;
H——支管螺母型式:E——用于屏蔽电缆,H——用于非屏蔽电缆;
4 - 联系人数量;
Ш——连接器部分:Ш——插头;G——插座;
1 - 触点组合的名称;
B——触点镀层:A——金,B——银;
1 - 耐热性 1 - 100°C;
B - 全气候版本;
L——左插座(仅适用于直通式插头)。