
.
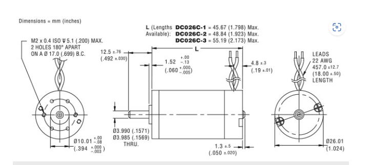
DC026C 系列有刷换向直流电机是一种直径为 26 mm 的装置,提供 3 种长度,连续输出扭矩为 0.0134 至 0.0226 Nm。速度可达 10,000 RPM
直流母线电压高达 48 Vdc
八个标准绕组 - 可提供特殊绕组
带钕磁铁的 2 极定子
7槽偏斜电枢齿槽减少
滚珠轴承
铜石墨电刷 - 提供 RFI 抑制
E21C 和 E21D 编码器 E21C 和 E21D 光学增量编码器专为批量 OEM 精密运动控制应用而开发,是 DC026C 有刷电机的推荐编码器
。Pittman 提供广泛的输出、分辨率和连接解决方案,尺寸紧凑,尺寸为 21 mm x 8 mm。
特征:
分辨率从 120 到 8192 CPR
TTL 正交输出
频率响应高达 960 kHz
低功耗,5V @ 60mA(最大值)
锁定连接器