关键特征
l 可编程性
l 高转速转换30V/μs
l 宽增益带宽40MHz
l 高增益150 kV/V
l 低失调电流5nA
l 高输入阻抗30MΩ
l 单电容补偿
l DTL/TTL兼容输入

描述
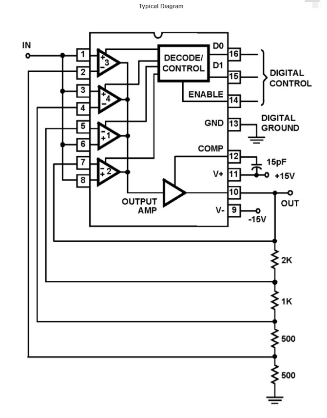
HA-2400包括一系列四通道可编程放大器,提供了任何其他单片运算放大器无法比拟的多功能性水平。通用性是通过采用四个输入放大器通道实现的,其中任何一个(或者没有)可以通过DTL/TTL兼容的地址输入电子选择并连接到单个输出级。由输出和所选择的输入对形成的器件是一个运放,它提供了极好的转换速率、增益带宽和功率带宽性能。这些电介质隔离放大器的其它有利特征包括高电压增益和输入阻抗,耦合低输入偏置电压和偏置电流。该装置在闭环增益大于10时不需要外部补偿。
HA2400的每个通道可以在任何标准运算放大器配置中用适当的反馈网络来控制和操作。这种特殊化使得这些放大器成为多路复用信号选择和数学功能设计的优秀部件。30V/s的转换速率,40MHz的增益带宽和30M的输入阻抗,这些器件是信号发生器、有源滤波器和数据采集设计的理想积木。可编程性,加上4MV典型失调电压和5Na偏置电流,使这些放大器成为信号调理电路的优秀组件。
在禁用模式VOUT转到V -。

应用
l 数以千计的应用程序
l 信号选择/多路复用
l 运算放大器增益
l 振荡器频率
l 滤波器特性
l 加减函数
l 积分器特性
l 比较器电平