
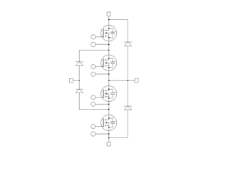
西安福川电子科技的三电平逆变器SiC MOSFET模块是用SiC MOSFET和SiC二极管构建的,因此结合了两种器件的优势:
低RDS(on)
高温性能
零反向恢复
零前向恢复
温度无关开关行为
VF上的正温度系数
除此之外,Microsemi的三电平逆变器SiC MOSFET模块还具有以下功能:
开尔文发射器,易于驱动
极低的杂散电感
内部热敏电阻,用于温度监控
AlN基板可改善热性能
稳定的温度行为
非常坚固
直接安装到散热器(隔离包装)
结到外壳的热阻低
低调
VCEsat的正TC使得并联容易
符合RoHS