
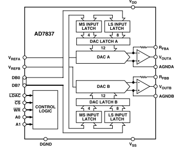
一般的描述AD7837/AD7847是一个完整的,双,12位相乘数模转换器和输出放大器在一个单彩色CMOS芯片。不需要外部用户修剪,以实现完全指定的性能。这两个部分都是微处理器兼容的,具有高速数据锁存和接口逻辑。AD7847接受12位并行数据,这是加载到各自的DAC锁存器使用VR输入和单独的芯片选择输入为每个DAC。
AD7837有一个双缓冲8位总线接口结构与数据加载到各自的输入锁存器在两个写操作。一个异步LDAC sienal在AD7837更新DAC锁存和模拟输出输出放大器能够在2kq负载下发展为±10伏。晶片级激光微调产生的低输入偏置电压补偿了内部电压放大器反馈电阻内部连接在AD7847上。AD7837/AD7847采用线性兼容CMOS (C2MOS)制造,这是一种先进的混合工艺,结合了精密双极电路和低功率CMOS逻辑。一个新的低泄漏配置确保在指定的温度范围内低偏移误差。
特性两个12位MDACs输出放大器四象限乘法节省空间0.3" 24线浸镀和24端SOIC封装并行加载结构:AD7847(8 + 4)负载结构:AD7837应用程序自动测试设备函数生成波形重建可编程电源同步应用程序
一个D/A转换器和输出放大器的简化电路图如图10所示。一种分段方案被使用,其中12位lata字的2 MSBs被解码来驱动三个开关A- c。其余10位在标准R-2R梯形配置中驱动开关(So-S9)。每个开关A-C控制总参考电流的1/4,其余1/4通过R-2R部分。输出放大器和反馈电阻进行电流到电压的转换给出Vouт= dx VREF其中D为数字字的分数表示(D可以从O设为4095/4096)。输出放大器可以在2kq负载下保持±10v。内部补偿,在不到5美元的时间内稳定到0.01% FSR (1/2 LSB)。注意,在AD7837上,Vour必须从外部连接到Ra。
RIрOL基于“增大化现实”技术的操作(4-OUADRANT MULTUPLICATION)图16显示了为双极操作连接的AD7837/AD7847。编码为偏移二进制,如表四所示。当Vr为交流信号时,电路进行四象限乘法运算。为了保持增益误差规格,电阻R1、R2和R3应与0.01%的比例匹配。注意,在AD7847反馈电阻R内部连接输出电压R1 20k0哦20 k我们应用程序可编程增益放大器(PGA)双DAC/放大器组合,以及访问重新使AD7837作为一个理想的可编程增益放大器。
在这个应用中,DAC在放大器反馈回路中起可编程电阻的作用。这个tvpe的配置如图17所示,适合于交流增益控制。该电路由两个串联的PGAs组成。使用双配置比单一PGA解决方案在更大的动态范围内具有更高的精度。整个系统的增益是各个增益阶段的乘积。每个阶段的有效时间由DAC编码控制。随着编码的减少,有效的DAC阻力增加,因此增益也增加。