
LTC6363 系列包括四个全差分、低功耗、低噪声放大器,具有经优化的轨到轨输出以驱动 SAR ADC。LTC6363 是一款独立的差分放大器,通常使用四个外部电阻设置其增益。LTC6363-0.5、LTC6363-1 和 LTC6363-2 都有内部匹配电阻,可分别创建具有增益 0.5V/V、1V/V 和 2V/V 的固定增益模块。每个固定增益放大器具有精密激光调整片内电阻,以实现精确、超稳定的增益和出色的 CMRR 性能。
应用
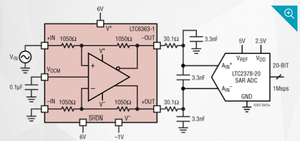
20 位、18 位和 16 位 SAR ADC 驱动器
单端转差分
低功耗 ADC 驱动器
电平转换器
差分线路驱动器
电池供电仪器仪表
提供用户设置增益或固定增益:0.5V/V、1V/V 或 2V/V
折合到输入端的噪声:2.9nV/√Hz
最大电源电流 2mA
最大增益误差:45ppm
最大增益误差漂移:0.5ppm/°C
CMRR:94dB(最小值)
最大失调电压:100μV
最大输入失调电流:50nA
快速建立时间:720ns 至 18 位、8VP-P 输出
电源电压范围:2.8V (±1.4V) 至 11V (±5.5V)
差分轨到轨输出
输入共模范围包括地电压
低失真:118dB SFDR(2kHz,18VP-P 时)
增益带宽积:500MHz
–3dB 带宽:35MHz
低功耗关断:20μA (VS = 3V)
8 引脚 MSOP 封装和 2mm x 3mm 8 引脚 DFN 封装
| ADI GenericP/N | SMD P/N | Suffix | Description | |
| AD670SD/883B | 5962- | 87635 | 01RA | A/D |
| AD673SD/883B | 5962- | 88505 | 02RA | A/D |
| AD674BTD/883B | 5962- | 91690 | 03MXA | A/D |
| AD674BTE/883B | 5962- | 91690 | 03M3A | A/D |
| AD676TD/883B | 5962- | 94743 | 01MXA | A/D |
| AD677TD/883B | 5962- | 95592 | 01MEA | A/D |
| AD684SQ/883B | 5962- | 92013 | 01MEA | T/H |
| AD688SQ/883B | 5962- | 93214 | 01MEA | Vref |
| AD713SQ/883B | 5962- | 90633 | 01MCA | Op Amp |
| AD713TQ/883B | 5962- | 90633 | 02MCA | Op Amp |
| AD7224UE/883B | 5962- | 90908 | 01M2A | D/A |
| AD7224UQ/883B | 5962- | 90908 | 01MVA | D/A |
| AD7226TE/883B | 5962- | 87802 | 012A | D/A |
| AD7226TQ/883B | 5962- | 87802 | 01RA | D/A |
| AD7228TE/883B | 5962- | 88663 | 013X | D/A |
| AD7228UE/883B | 5962- | 88663 | 023X | D/A |
| AD7228UQ/883B | 5962- | 88663 | 02LX | D/A |
| AD7237ATQ/883B | 5962- | 90785 | 02MLA | D/A |
| AD7243SQ/883B | 5962- | 93204 | 01MEA | D/A |
| AD7244SQ/883B | 5962- | 91647 | 01MLA | D/A |
| AD7245ASE/883B | 5962- | 88766 | 013X | D/A |
| AD7245ASQ/883B | 5962- | 88766 | 01LX | D/A |
| AD7247ATQ/883B | 5962- | 90785 | 01MLA | D/A |
| AD7248ASQ/883B | 5962- | 88766 | 02RA | D/A |
| AD7524SE/883B | 5962- | 87700 | 012A | D/A |
| AD7524TQ/883B | 5962- | 87700 | 02EA | D/A |
| AD7524UQ/883B | 5962- | 87700 | 03EA | D/A |
| AD7528SQ/883B | 5962- | 87701 | 01RA | D/A |
| AD7528TE/883B | 5962- | 87701 | 022A | D/A |
| AD7528TQ/883B | 5962- | 87701 | 02RA | D/A |
| AD7528UE/883B | 5962- | 87701 | 032A | D/A |
| AD7528UQ/883B | 5962- | 87701 | 03RA | D/A |
| AD7537SQ/883B | 5962- | 87763 | 01LX | D/A |
| AD7537UQ/883B | 5962- | 87763 | 03LX | D/A |
| AD7541ATE/883B | 5962- | 89481 | 022X | D/A |
| AD7541ATQ/883B | 5962- | 89481 | 02VX | D/A |
| AD7545GUE/883B | 5962- | 87702 | 042X | D/A |