
信号链μModule接收器
ADI公司的μModule®(微型模块)接收器由具有固定增益的高性能高速ADC、高速放大器和抗混叠滤波器组成。我们集成的ADC和驱动器产品包括集成旁路电容,简化了维持交流性能所需的高频布局。电路板空间节省对于频谱分析仪、示波器和通信测试设备等仪器仪表应用,或高灵敏度接收器、软件定义无线电(SDR)或信号智能接收器等通信应用至关重要。我们的产品系列使用与多芯片模块(MCM)类似的系统化封装(SiP)技术将元件与不同的技术以及无源元件集成,从而实现集成子系统。
| 产品型号 | Channels | Resolution | SINAD (typ) | Power (typ) |
| bits | dB | W | ||
| LTM2173-14 | 4 | 14 | 71.9 | 385m |
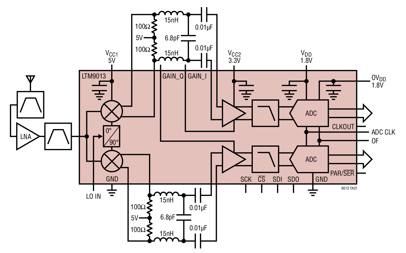
| LTM9013 | 2 | 14 | 58 | 2.6 |
| LTM9006-14 | 8 | 14 | 72.8 | 369m |
| LTM9007-14 | 8 | 14 | 73.3 | 475m |
| LTM9008-14 | 8 | 14 | 73.6 | 700m |
| LTM9012 | 4 | 14 | 66.7 | 1.27 |
| LTM9009-14 | 8 | 14 | 72.9 | 801m |
| LTM9010-14 | 8 | 14 | 73 | 950m |
| LTM9011-14 | 8 | 14 | 73 | 1.145 |
| LTM9003-AA | 1 | 12 | 57 | 1.472 |
| LTM9003-AB | 1 | 12 | 57 | 1.591 |
| LTM9004-AA | 1 | 14 | 58.5 | 1.83 |
| LTM9004-AB | 1 | 14 | 60 | 1.83 |
| LTM9004-AC | 1 | 14 | 61 | 1.83 |
| LTM9004-AD | 1 | 14 | 60 | 1.83 |
| LTM9001-GA | 1 | 16 | 77.4 | 550m |
| LTM9002-AA | 2 | 14 | 66 | 1.329 |
| LTM9002-LA | 2 | 12 | 71 | 690m |
| LTM9001-AA | 1 | 16 | 72 | 1.65 |
| LTM9001-AD | 1 | 16 | 72 | 1.65 |
| LTM9001-BA | 1 | 16 | 69 | 1.914 |