
安费诺航空公司提供光纤到铜转换器产品线灵活、经济、耐用的光纤铜转换器系统提供选项。这种安费诺连接器将改变您的高速需求到一个新的水平。我们采用了两种技术把它们组合成一个混合动力连接器。现在,您可以无缝地将高速数据从铜缆传输到光纤光纤到铜缆。
光纤接口
锁紧螺母或法兰安装
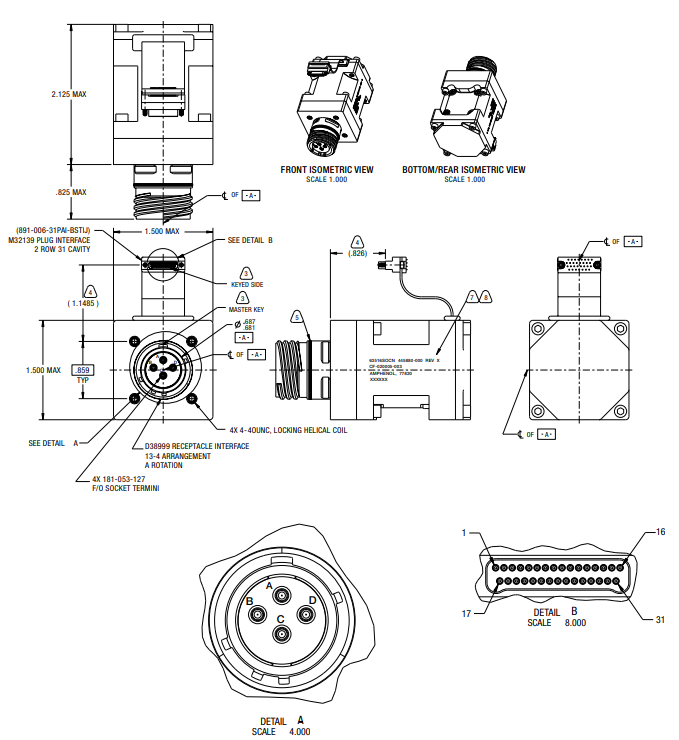
外壳尺寸13 38999;EPX/ARINC 400/600选件
MS29504系统光纤接口;扩展波束/ARINC 801/MT选件
2个双向接口
1G、2G、4G、10Gbps的速度
接口支持1/2/4/8G FC和1/10GbE;可选DVI、SFDP铜质接口
2个高速通道,支持6.5 Gbps分裂对quadrax PC机尾或flex组件
电源、诊断和其他接口
特征
无需内部子系统光纤线束、互连或收发器
利用铜缆收发器和现有互连(背板、线束、面板)进行系统光纤连接
连接器上的媒体转换降低了系统复杂性和成本
APH环氧树脂锁紧保护环境和组装过程中的精密纤维组件
整机尺寸
8个千兆以太网端口
将1000BASE-T转换为SGMII
符合IEEE 802.3ab以太网标准和
规格
提供气密选项,氦气泄漏率为10-4 cc/sec
加固
全面加固环境和EMI/EMP
电源、诊断等接口
