
安费诺
MS3102A28-21P
Conn MIL-DTL-5015圆形PIN 37 POS焊料ST盒装37端子1端口
MS-A和MS-CMS-A和MS-C类连接器在电源、测试和地面支持系统中执行许多重要功能。A类应用包括通讯设备、计算机和机械力和物理参数不适应极端或快速环境变化的船上设备。C类连接器最常用在高海拔或海上应用的加压舱壁或压力屏障上。
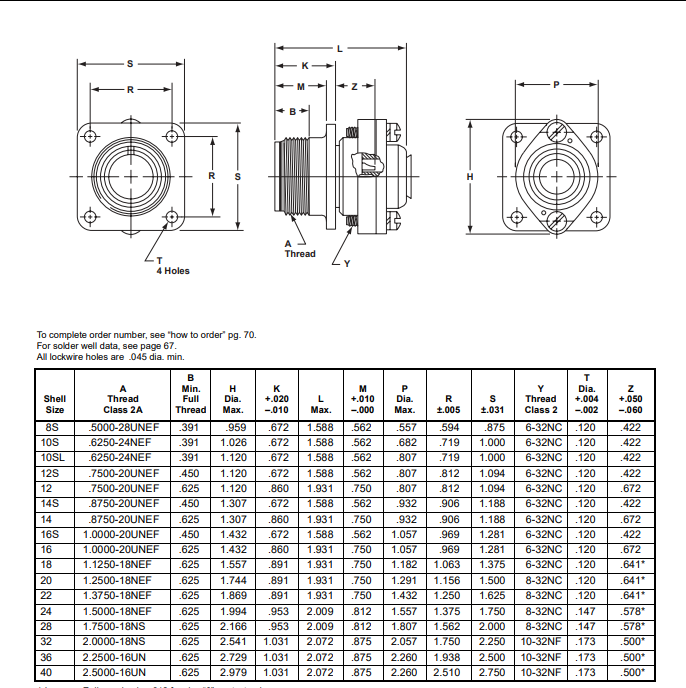
在压差为30磅时,漏气限制在每小时1立方英寸。每平方英寸贝壳外壳组件采用优质铝合金制造。导电镉板表面处理后橄榄褐色铬酸盐提供耐腐蚀联系人:触点有焊料和卷曲两种版本。引脚和插座由镀银铜合金加工而成。尺寸为16和12的插座接触孔采用封闭式入口设计。请参阅第49、67和68页以获得更多的联系信息。插入:镶件采用弹性氯丁橡胶,具有高介电强度、高抗电弧和抗振动性能针或插座插入
MS-R要求更短的可靠性,更轻的重量环境抗连接导致了MS-R的设计。MS类R连接器满足MIL-DTL的所有性能要求5015通过向前移动轴向压缩螺母和垫圈总成,并与插入件后部平齐,可以实现这种低剖面组装。氯丁橡胶垫圈,其低摩擦系数,确保更容易的线程线束和更快的组装和更大的可替代性的单位。模制的网在每个线孔确保水分屏障周围的每线。
在所有MS3106R插头的主接头上增加了一个“O”形环,为界面密封提供了一个主接头密封补充,从而确保在使用来自不同来源的接头时具有更高的可靠性。MS-R型推荐用于新的设计应用外壳:外壳组件采用优质铝合金制造。所有
触点由铜合金加工而成,具有最大的耐蚀性,最大的载流能力和低毫伏降。可提供卷曲和焊接版本。请参阅第49、67和68页以获得更多的联系信息插入:弹性氯丁橡胶插入件提供了一个杰出的mois真实的屏障,最大的抗振动和高介电强度。针或插座插入件都可以加压.
