
.MS-E & FF类连接器满足MIL-DTL-5015的所有性能要求。E类、环保产品也有生产,但不再列入合格产品名录(QPL)。这些连接器经过重新包装,适用于极端的振动、湿度、压力和/或温度。大部分壳体尺寸都提供了应变缓解贝壳外壳组件采用高等级铝合金制造。
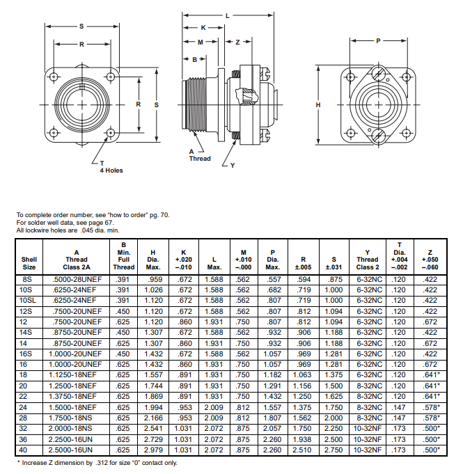
标准的硬件电镀是导电镀镉表面处理,橄榄褐色的铬酸盐后处理耐腐蚀。请咨询安费诺,西德尼,纽约其他电镀选择。联系人:接触是镀银铜合金最大cor。抗腐蚀,最大载流容量,低毫伏降。尺寸为16和12插座触点,采用封闭式设计。可提供卷曲剂和焊剂。请参阅第49、67和68页以获得更多的联系信息。nserts:弹性氯丁橡胶插入件提供一个杰出的防潮屏障,高介电强度,和耐腐蚀。针或插座插入件都可以加压应变消除夹:防应变夹将焊锡焊头连接处的张力降到最低,并提供良好的机械防潮密封。完全的现场使用能力是可能的应变释放钳。
MS-R在更短、更轻的重量环境抗连接更大的可靠性的规范要求导致MS-R的设计。MS类R连接器满足MIL-DTL的所有性能要求5015通过向前移动轴向压缩螺母和垫圈总成,并与插入件后部平齐,可以实现这种低剖面组装。氯丁橡胶垫圈,其低摩擦系数,确保更容易的线程线束和更快的组装和使用的单位。
模制的网在每个线孔确保水分屏障周围的每线。在所有MS3106R插头的主接头上增加了一个“O”形环,为界面密封提供了一个辅助的主接头密封,从而确保在使用不同来源的接头时具有更高的可靠性。MS-R型推荐用于新的设计应用外壳:外壳组件采用优质铝合金合金制造。所有组件都有标准的导电镀镉表面处理与橄榄褐色铬酸盐后抗腐蚀处理。请咨询安费诺,西德尼,纽约其他电镀选择。
联系人:触点由铜合金加工而成,具有最大的耐蚀性,最大的载流能力和低毫伏降。可提供卷曲和焊接版本。请参阅第49、67和68页以获得更多的联系信息。插入:弹性氯丁橡胶插入件提供一个杰出的防潮,最大的抗振动和高介电强度。针或插座插入件都可以加压。
