
LMV321,LMV358和LMV324器件是具有轨至轨输出摆幅的单,双和四路低压(2.7 V至5.5 V)运算放大器。这些器件是需要低压运行,节省空间和低成本的应用中最具成本效益的解决方案。这些放大器是专为低压(2.7 V至5 V)操作而设计的,性能规格达到或超过了工作于5 V至30 V的LM358和LM324器件。封装尺寸减小了其尺寸的二分之一。这些器件采用DBV(SOT-23)封装,可用于多种应用
LMV3xxA-Q1系列包括带轨的单(LMV321A-Q1),双(LMV358A-Q1)和四通道(LMV324A-Q1)低压(2.5V至5.5V)汽车运算放大器(op amps)到轨输出摆幅功能。这些运算放大器为空间受限的应用提供了一种经济高效的解决方案,例如信息娱乐和照明,这些应用需要低压操作和高电容负载驱动。LMV3xxA-Q1系列的容性负载驱动器为500 pF,而电阻性开环输出阻抗使容性负载高得多时的稳定工作变得更加容易。这些运算放大器专为低压操作(2.5 V至5.5 V)而设计,其性能规格与LMV3xx-Q1器件相似。
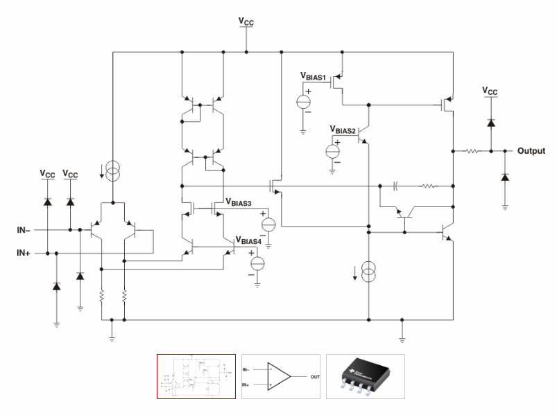
LMV3xxA-Q1系列的坚固设计简化了电路设计。运算放大器具有单位增益稳定性,集成的RFI和EMI抑制滤波器以及在过驱动条件下的无相位反转特性。
LMV3xxA-Q1系列采用行业标准的封装,如SOIC,MSOP,SOT-23和TSSOP封装。
符合AEC-Q100的汽车应用要求
温度等级1:–40°C至+ 125°C,T A
设备HBM ESD分类等级2
设备CDM ESD分类等级C5
低输入失调电压:±1 mV
轨到轨输出
单位增益带宽:1 MHz
低宽带噪声:30 nV / √Hz
低输入偏置电流:10 pA
低静态电流:70 µA / Ch
单位增益稳定
内部RFI和EMI滤波器
可在低至2.5 V的电源电压下工作
由于电阻性开环输出阻抗,在较高的容性负载下更易于稳定
扩展的温度范围:–40°C至125°C