
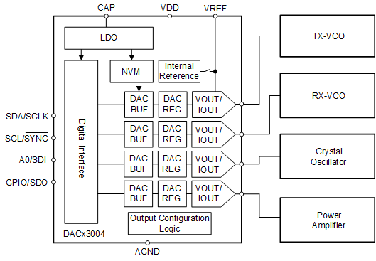
12 位 DAC63004 和 10 位 DAC53004 (DACx3004) 是引脚兼容的超低功耗、四通道、缓冲、电压输出和电流输出智能数模转换器 (DAC) 系列。DAC 输出能够进行电压和电流输出。这些 DACx3004 在断电情况下支持 Hi-Z 断电模式和 Hi-Z 输出。DAC 输出提供了一个力感选项,可用作可编程比较器和电流吸收器。多功能 GPIO、函数生成和 NVM 使这些智能 DAC 能够用于无处理器应用和设计重用。这些器件还具有自动检测的 I 2 C、PMBus 或 SPI 接口和内部基准。
功能集与微型封装和超低功耗相结合,使这些智能 DAC 成为陆地移动无线电、脉搏血氧仪、笔记本电脑和其他电池供电应用以进行偏置、校准和波形生成等应用的绝佳选择。
具有灵活配置的可编程电压或电流输出:
1 LSB INL 和 DNL(8 位)
25 µA 至 250 µA 的单极和双极输出范围选项
当前输出:
1 LSB INL 和 DNL(10 位)
增益为 1x、1.5x、2x、3x 和 4x
电压输出:
电压输出模式下 50 µA/通道静态电流
所有通道的可编程比较器模式
VDD 关闭时的高阻抗输出
高阻抗和电阻下拉掉电模式
25MHz SPI 兼容接口
自动检测 I 2 C、PMBus™ 或 SPI 接口
1.62-VV IH,V DD = 5.5V
可配置为多种功能的通用输入/输出 (GPIO)
预定义波形生成:正弦波、三角波、锯齿波
用户可编程非易失性存储器 (NVM)
内部、外部或电源作为参考
操作范围广:
电源:1.8V 至 5.5V
温度范围:–40˚C 至 +125˚C
微型封装:16 引脚 WQFN(3 毫米 × 3 毫米)