MIL-PRF-83401/15
Resistor Network, Fixed, Film, Style RZ150, 14 Pin Flat Pack
电阻器,网络,固定,薄膜,类型RZ150,14针扁平封装
M8340115K4302JB
INTERNATIONAL RESISTIVE COMPANY OF
命名法则
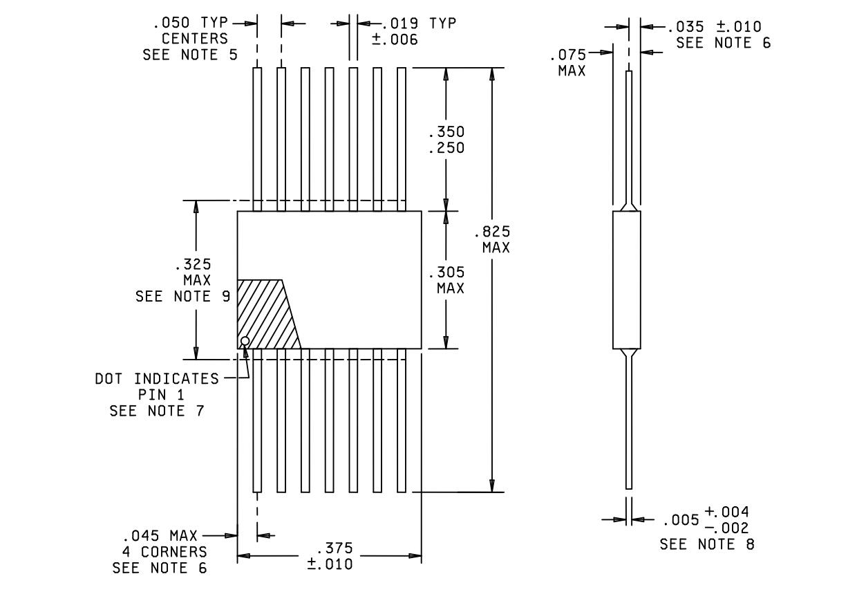
图纸尺寸
X
©版权所有2008-2019 西安福川电子科技有限公司陕ICP备11012861号-4