您好!欢迎来到福川电子! 登录 | 注册
联系电话:029-88256270
www.aiboco.com

命名法则

主称代码 特性 电阻阻值 电阻公差 示意图
M8340114 H 1002 J A
MIL-PRF-83401/14
代码 描述
C ±50
H ±50
K ±100
M ±300
R ±20
V ±50
Y ±5
代码 描述
B ±0.1%
D ±0.5%
F ±1.0%
G ±2.0%
J ±5.0%
代码 描述
A
B
J

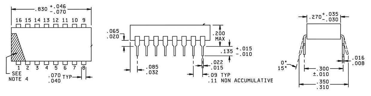
图纸尺寸

M8340114