关键特征
l 转换速率:10V/s
l 单位增益带宽:85MHz
l 低噪声:1kHz的3nV/Hz Hz
l Low VOS:10伏
l 高CMRR:126dB
l 高增益:1800伏/分钟
l 无铅可用(符合RoHS标准)
描述
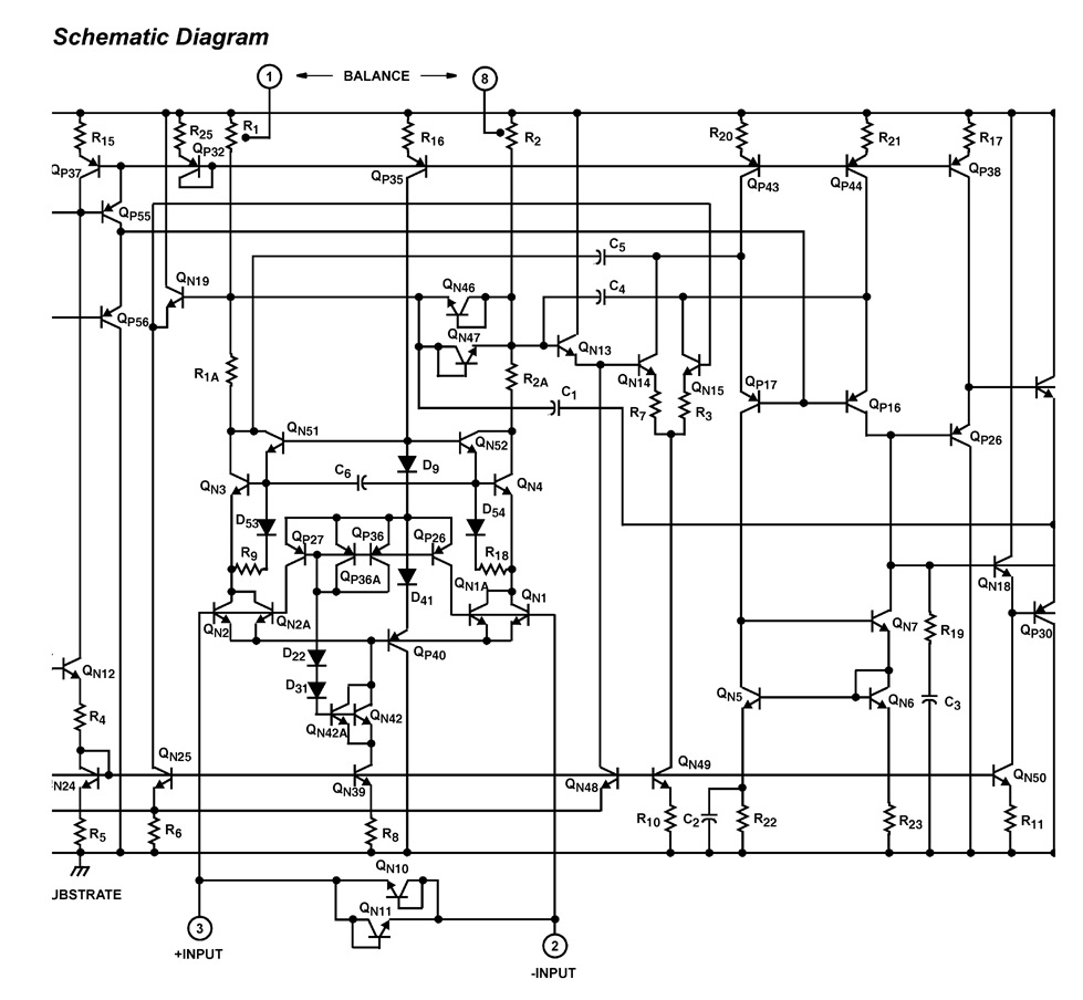
HA5127单片运算放大器具有精确的DC和宽带高速特性的无与伦比的组合。采用Intersil DI技术和先进的加工技术,这种独特的设计将低噪声(3NV/Hz)精密仪器性能与高速(10V/s)宽带能力相结合。
该放大器令人印象深刻的特性包括低VOS(10 V),宽单位增益带宽(85MHz),高开环增益(1800 V/mV),以及高CMRR(126dB)。此外,该柔性装置在较宽的供电范围(±5V至±15V)下运行,同时消耗功率仅为140MW。使用HA5127允许设计者最小化错误,同时最大化速度和带宽。
该器件适用于低电平传感器信号放大电路。其他应用可以利用HA5127的质量包括仪表放大器、脉冲放大器、音频前置放大器和信号调理电路。该装置可以通过直接替换725、OP25、OP06、OP07、OP27和OP37来作为设计增强使用。对于军用级产品,请参阅HA5127/883数据表。

应用
l 高速信号调节器
l 宽带仪表放大器
l 低电平传感器放大器
l 快速低电平电压比较器
l 最高质量音频前置放大器
l 脉冲/射频放大器