1. 图片

2. 描述
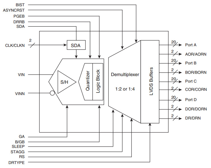
AT84AS04结合了10位2 GSP的模数转换器,具有1:4的DMUX,设计用于在第一或第二奈奎斯特区宽带信号的精确数字化。它具有7.8个有效性比特数(ENOB)和-55 DBFs在2 GSPs上的无杂散动态范围(SFDR)。第一奈奎斯特区和7.5位,在全秒奈奎斯特上有54分贝的SFDR。1:4解复用的数字输出是LVDS逻辑兼容,允许与标准的轻松接口。FPGA或DSP。AT84ASO4工作在高达2 GSP。AT84AS04是一个25×35毫米的EBGA317封装。此包与FR4具有相同的TCE。在经受大的热冲击时具有优异的可靠性。
ADC工作在全差分模式从模拟输入到数字输出。ADC应该是50Ω反向终止,尽可能接近EBGA封装输入引脚(1毫米)。ADC时钟输入是片上100Ω差分终止。输出时钟和输出数据是LVDS逻辑兼容,应该是100Ω差异终止。ADC增益可以通过GA模拟控制输入一个采样调谐到单位增益。提供一种功率减少模式(睡眠控制输入)以减少DMUX的功耗。
电源:-5V,-2.2V,3.3V和VPLUS输出电源
AT84ASO4ADC具有两个异步重置:
-DRRB,确保第一数字化数据对应于第一采集。
-AsiCCRST,确保第一数字化数据将在DMUX的端口A上输出。
数据输出在AT84AS00 4的输出中可用两种不同模式:
-交错:偶数和奇数位出现一半的数据周期延迟
-同时:偶数和奇数位同时出现
3. 特性
生产商 | E2V |
封装 | BGA |
管脚数 | 317 |
接触面电镀 | 锡铅 |
安装 | 表面安装 |
Integral Nonlinearity (INL) | 4LSB |
最大功耗 | 7.1W |
A/D转换器数量 | 1 |
模拟量输入 | 1 |
功耗 | 6.5W |
分辨率 | 10b |
采样率 | 2GS/s |
供应类型 | Dual |
商业级温度范围 | TAMB>0°C;TJ<90°C( |
工业级温度范围 | TAMB>>40°C;TJ<110°C |
4. 应用
l 直接射频下变频
l 宽带数字接收机
l 测试仪器
l 高速数据采集
l 高能物理学
5.简化框图
