
摘要
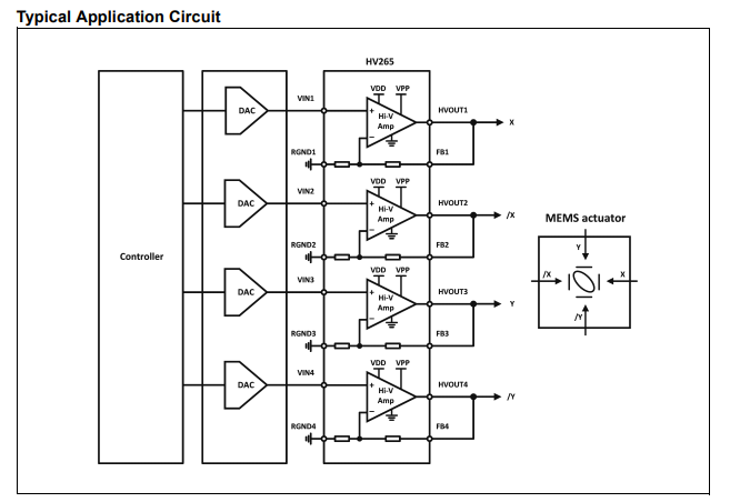
西安福川电子科技的HV265器件是一个带有可选内部反馈电阻器网络的4通道高压运算放大器阵列。
放大器阵列IC在225 V高压电源和5 V低压电源上工作。每个通道都有其独立的输入和输出端口。使用内部反馈电阻器网络时,闭环增益设置为82 V / V。高值SiCr电阻器用于内部反馈网络,以最大程度地降低功耗。输入接受0.05V至2.5V范围内的电压。
放大器的输出阻抗小于1k,输出可驱动高达200 pF的容性负载。该放大器的设计具有良好的温度稳定性和低输出漂移。
附加功能
四个独立的高压放大器
205V输出摆幅
Cload至200pF(Zout <1kOhm)的最小输出压摆率为20mV / µs
固定增益为82.V / V,30kHz增益带
高值内部反馈SiCr电阻来设置增益(如果使用了内部增益设置)
少于10ms的建立时间
一般的描述该HV265设备是一个4通道高压运算放大器阵列,带有一个可选的内部反馈电阻网络放大器阵列IC工作在一个225伏的高压电源和一个5伏的低压电源上。每个通道都有其独立的输入和输出端口。当使用内部反馈电阻网络时,将闭环增益设置为82 VV高值SiCr电阻用于内部反馈网络,以使功率消耗最小化。输入接受0.05V和2.5V范围内的电压。放大器的输出阻抗小于1 ko,输出可以驱动高达200 pE的电容负载。该放大器具有良好的温度稳定性和较低的输出drif
