
安费诺
MS3106A18-1P
Conn MIL-DTL-5015圆形PIN 10 POS焊接ST电缆安装10端子1端口汽车
系列:Amphenol-MIL-C-5015圆形连接器
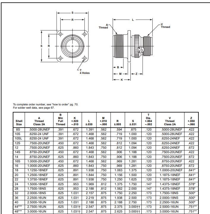
设计特点中等到重口味耐用field-nroven desian耐环境有弹性的插入工作电压在海平面3000 VAC (RMS)螺纹接头单键/键槽壳极化成本效益客户的选择五个shell风格19外壳尺寸从1到104个电路的305接点,焊接或压接接点,尺寸16-0,可接受22-0 AWG。
同轴和热电偶接触选项五类名称交替插入定位密封的可用配置可用锌合金电镀(无镉)MS连接器满足最新的性能要求。mil -迪泰- 5015的差事。这些连接器代表了良好的电气能力,在可接受的成本,其中耐用性是重要的大多数设备。MIL-DTL-5015采用螺纹连接和单ey/键槽极化,代表了desian中最简单的itvy,应用范围包括军事地面支持设备、军炮和舰载设备。
安费诺工业操作公司生产五类连接器,以满足不同的要求。A-固体外壳-用于一般的、非环境应用。C-加压-用于加压舱壁或压力屏障:限制空气泄漏,无论与之配套的塞的类型和等级。E/F -耐环境应力释放设计适用于连接器暴露在潮湿和振动环境中的应用。和快速压强和温度的变化。R-轻环境抵抗-更短的长度和更轻的重量比E和F级,MS-R提供了高度的可靠性在不利条件下:推荐用于新的desian应用。
