
一般的描述
HMC565是一款高动态范围GaAs PHEMT MMIC低噪声放大器(LNA)芯片,工作频率为6 - 20 GHz。HMC565的特点是22分贝的小信号增益,2.3分贝的噪声数字,并具有一致的IP3的20 dBm在整个工作频带。由于其紧凑的尺寸、宽频带性能、单+3V电源运行和直流阻塞RE - VO,这种自定位LNA是理想的混合和MCM组件。所有的数据都在一个50欧姆的测试夹具中通过两个最小长度为0.31 mm (12 mil)直径为0.025 mm (1 mil)的奥ondondwires连接。
典型的应用HMC565是理想的使用作为LNA或驱动放大器:。点对点无线电点对多点无线电和甚卫星测试设备和传感器军事和空间特性噪声系数:2.3 dB收获:22分贝OIP3: 20 dBm单电源:+3V @53 mA 50 Ohm匹配输入/输出小尺寸:2.53 x 0.98 x 0.10 mm.
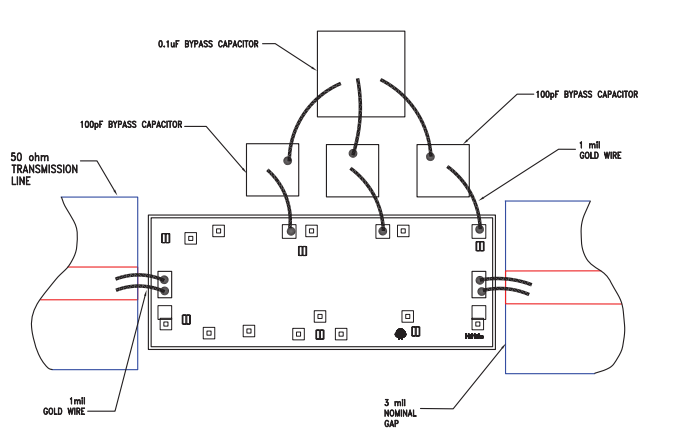
毫米波GaAs MMICs的安装和粘接技术模具应以共晶或导电环氧树脂直接连接到接地面上(请参阅HMC一般处理、安装、焊接注意事项)。0.102mm(0.004)厚GaAs MMIC在0.127mm (5 mil)厚的氧化铝薄膜上的50欧姆微带传输线建议使用基片将射频带入或从芯片取出(图1)打金线必须使用0.254mm (10 mil)厚的氧化铝薄膜衬底,模具应使用0.07 毫米 003 €凸起0.150mm (6 mils),使模具表面与表面共面的底物。实现这一点的一种方法是附加0.102毫米(4毫米厚)模具为0.150mm (6 mil厚钼热撒布器(moly-tab),然后附于地平面(Fiqure 2)射频地平面微带基片应尽可能靠近模具,以尽量减少键合导线的雷纳丝。
典型的模子到基片的间隔为0.076毫米(3毫秒)。处理措施0.127mm(0.005)厚休耕这些预防措施可以避免永久性损伤。薄膜Subetrate储存:所有裸模置于晶圆或凝胶的ESD保护中图1集装箱,然后密封在防静电防护袋中装运。一旦密封的防静电保护袋已打开,所有模具应存放在干燥处氮气环境0.102mm(0.004”)厚砷化镓MMIC清洁:在清洁的环境中处理芯片。切勿尝试使用液体清洗系统清洗晶片。打金线0.076毫米静电灵敏度:采用ESD防护措施,防止>±250V的ESD冲击(0.003瞬变:在施加偏置时抑制仪器和偏置电源的瞬变。使用屏蔽信号和偏置电缆来最小化感应拾音器。一般处理方法:用真空夹头或真空夹头沿晶片边缘处理一把锋利的弯曲的镊子。芯片表面有易碎的气泡和气泡射频Grna飞机不要用真空夹头、镊子或手指接触。越来越多的厚0.150毫米(0.005 ")。
选项卡该芯片是背面金属化的,可以用奥氏共晶预晶片装模0.254mm(0.010)厚的氧化铝薄菲姆 Sustrate或使用导电环氧树脂。安装表面应清洁平整。菲库雷2。共晶死附加:80/20黄金锡粗加工的建议的工作表面温度255 C和工具温度265 C应用热90/10氮气/氢气时,工具提示温度应该是290 C不公开芯片温度大于320度超过20秒。附件的清洗时间不应超过3秒环氧树脂模贴:在贴片表面涂上最少的环氧树脂,这样在贴片就位后,就可以在贴片周边观察到一层薄薄的环氧树脂圆角。根据制造商的时间表固化环氧树脂线焊接建议使用直径为0.025 mm (1 mil)的纯金线进行球或楔式粘结。建议采用标称级温为150℃、球键合力为40 ~ 50克或楔键合力为18 ~ 22克的热超声线键合。使用最低水平的超声波能量,以实现可靠的线键。线键应该在芯片上开始和终止。包装或基片,所有的键应尽可能短s0.31毫米(12 mils)。
| 裸片 | 品牌 | 描述 | 封装 | 类别 |
| AD7418ACHIPS | ADI | 裸片 | WAFFLEPACK | 温度传感器 |
| AD8229-KGD-CHIPS | ADI | 裸片 | WAFFLEPACK | 放大器 |
| AD825ACHIPS | ADI | 裸片 | WAFFLEPACK | 放大器 |
| AD827JCHIPS | ADI | 裸片 | WAFFLEPACK | 放大器 |
| AD827SCHIPS | ADI | 裸片 | WAFFLEPACK | 放大器 |
| AD829JCHIPS | ADI | 裸片 | WAFFLEPACK | 放大器 |
| AD829SCHIPS | ADI | 裸片 | WAFFLEPACK | 放大器 |
| AD8306ACHIPS | ADI | 裸片 | WAFFLEPACK | 射频微波 |
| AD8310ACHIPS | ADI | 裸片 | WAFFLEPACK | 射频微波 |
| AD8317ACHIPS | ADI | 裸片 | WAFFLEPACK | 射频微波 |
| AD8317ACPZ-WP | ADI | 裸片 | WAFFLEPACK | 射频微波 |
| AD8318SCPZ-EP-WP | ADI | 裸片 | WAFFLEPACK | 射频微波 |
| AD8319ACPZ-WP | ADI | 裸片 | WAFFLEPACK | 射频微波 |
| AD8330-000C | ADI | 裸片 | WAFFLEPACK | 射频微波 |
| AD841JCHIPS | ADI | 裸片 | WAFFLEPACK | 放大器 |
| AD841SCHIPS | ADI | 裸片 | WAFFLEPACK | 放大器 |
| AD842SCHIPS | ADI | 裸片 | WAFFLEPACK | 放大器 |
| AD843JCHIPS | ADI | 裸片 | WAFFLEPACK | 放大器 |
| AD843SCHIPS | ADI | 裸片 | WAFFLEPACK | 放大器 |
| AD844ACHIPS | ADI | 裸片 | WAFFLEPACK | 放大器 |
| AD844SCHIPS | ADI | 裸片 | WAFFLEPACK | 放大器 |
| AD845JCHIPS | ADI | 裸片 | WAFFLEPACK | 放大器 |
| AD847JCHIPS | ADI | 裸片 | WAFFLEPACK | 放大器 |
| AD847SCHIPS | ADI | 裸片 | WAFFLEPACK | 放大器 |
| AD848JCHIPS | ADI | 裸片 | WAFFLEPACK | 放大器 |
| AD848SCHIPS | ADI | 裸片 | WAFFLEPACK | 放大器 |
| AD8608-KGD-CHIP | ADI | 裸片 | WAFFLEPACK | 放大器 |
| AD8629D000C | ADI | 裸片 | WAFFLEPACK | 放大器 |
| AD8634-KGD-CHIP | ADI | 裸片 | WAFFLEPACK | 放大器 |
| AD9631ACHIPS | ADI | 裸片 | WAFFLEPACK | 放大器 |
| AD976AACHIPS | ADI | 裸片 | WAFFLEPACK | A/D转换器 |
| AD9832-KGD-CHIPS | ADI | 裸片 | FILMFRAME | 射频微波 |
| ADA4800-KGD-WP | ADI | 裸片 | WAFFLEPACK | Audio & Video Products |
| ADA4841-2KGD-PT | ADI | 裸片 | PCKTTAPE13 | 放大器 |
| ADA4841-2KGD-WP | ADI | 裸片 | WAFFLEPACK | 放大器 |
| ADA4870-KGD-DF | ADI | 裸片 | FILMFRAME | 放大器 |
| ADA4870-KGD-WP | ADI | 裸片 | WAFFLEPACK | 放大器 |
| ADCMP371-KGD-RL7 | ADI | 裸片 | PCKTTAPE7 | Linear Products |
| ADF4113BCHIPS | ADI | 裸片 | WAFFLEPACK | 射频微波 |
| ADG201ABCHIPS | ADI | 裸片 | WAFFLEPACK | 开关与多路复用器 |
| ADG201HSBCHIPS | ADI | 裸片 | WAFFLEPACK | 开关与多路复用器 |
| ADG201HSTCHIPS | ADI | 裸片 | WAFFLEPACK | 开关与多路复用器 |
| ADG408BCHIPS | ADI | 裸片 | WAFFLEPACK | 开关与多路复用器 |
| ADG411BCHIPS | ADI | 裸片 | WAFFLEPACK | 开关与多路复用器 |
| ADG433BCHIPS | ADI | 裸片 | WAFFLEPACK | 开关与多路复用器 |
| ADG441ABCHIPS | ADI | 裸片 | WAFFLEPACK | 开关与多路复用器 |
| ADG507ABCHIPS | ADI | 裸片 | WAFFLEPACK | 开关与多路复用器 |
| ADG507ATCHIPS | ADI | 裸片 | WAFFLEPACK | 开关与多路复用器 |
| ADG508ABCHIPS | ADI | 裸片 | WAFFLEPACK | 开关与多路复用器 |
| ADG528ABCHIPS | ADI | 裸片 | WAFFLEPACK | 开关与多路复用器 |
| ADG798-KGD-WP | ADI | 裸片 | WAFFLEPACK | 开关与多路复用器 |
| ADG841-KGD-CHIPS | ADI | 裸片 | WAFFLEPACK | 开关与多路复用器 |
| ADL7003CHIPS | ADI | 裸片 | GEL PACK | 放大器 |
| ADL7003CHIPS-SX | ADI | 裸片 | GEL PACK | 放大器 |
| ADM7172-4.2-KGD-WP | ADI | 裸片 | WAFFLEPACK | Power Management |
| ADM809-5SCHIPS | ADI | 裸片 | WAFFLEPACK | Power Management |
| ADN2820ACHIPS | ADI | 裸片 | WAFFLEPACK | 放大器 |
| HMC1105-SX | ADI | 裸片 | GEL PACK | 射频微波 |
| HMC1106 | ADI | 裸片 | GEL PACK | 射频微波 |
| HMC1106-SX | ADI | 裸片 | GEL PACK | 射频微波 |
| HMC1126-SX | ADI | 裸片 | GEL PACK | 放大器 |
| HMC1127-SX | ADI | 裸片 | GEL PACK | 放大器 |
| HMC1144 | ADI | 裸片 | GEL PACK | 放大器 |
| HMC1144-SX | ADI | 裸片 | GEL PACK | 放大器 |
| HMC263 | ADI | 裸片 | GEL PACK | 放大器 |
| HMC339 | ADI | 裸片 | GEL PACK | 射频微波 |
| HMC339-SX | ADI | 裸片 | GEL PACK | 射频微波 |
| HMC341-SX | ADI | 裸片 | GEL PACK | 放大器 |
| HMC342 | ADI | 裸片 | GEL PACK | 放大器 |
| HMC383 | ADI | 裸片 | GEL PACK | 放大器 |
| HMC383-SX | ADI | 裸片 | GEL PACK | 放大器 |
| HMC395 | ADI | 裸片 | GEL PACK | 放大器 |
| HMC396-SX | ADI | 裸片 | GEL PACK | 放大器 |
| HMC397 | ADI | 裸片 | GEL PACK | 放大器 |
| HMC465-SX | ADI | 裸片 | GEL PACK | 放大器 |
| HMC516 | ADI | 裸片 | GEL PACK | 放大器 |
| HMC516-SX | ADI | 裸片 | GEL PACK | 放大器 |
| HMC517 | ADI | 裸片 | GEL PACK | 放大器 |
| HMC517-SX | ADI | 裸片 | GEL PACK | 放大器 |
| HMC518 | ADI | 裸片 | GEL PACK | 放大器 |
| HMC518-SX | ADI | 裸片 | GEL PACK | 放大器 |
| HMC519 | ADI | 裸片 | GEL PACK | 放大器 |
| HMC519-SX | ADI | 裸片 | GEL PACK | 放大器 |
| HMC559 | ADI | 裸片 | GEL PACK | 放大器 |
| HMC559-SX | ADI | 裸片 | GEL PACK | 放大器 |
| HMC561 | ADI | 裸片 | GEL PACK | 射频微波 |
| HMC561-SX | ADI | 裸片 | GEL PACK | 射频微波 |
| HMC562 | ADI | 裸片 | GEL PACK | 放大器 |
| HMC562-SX | ADI | 裸片 | GEL PACK | 放大器 |
| HMC564 | ADI | 裸片 | GEL PACK | 放大器 |
| HMC564-SX | ADI | 裸片 | GEL PACK | 放大器 |
| HMC565 | ADI | 裸片 | GEL PACK | 放大器 |
| HMC565-SX | ADI | 裸片 | GEL PACK | 放大器 |
| HMC566 | ADI | 裸片 | GEL PACK | 放大器 |
| HMC566-SX | ADI | 裸片 | GEL PACK | 放大器 |