
MS连接器满足MIL-DTL-5015的最新性能要求。这些连接器代表了良好的电气能力,在可接受的成本,其中耐用性是重要的大多数设备。MIL -DTL-5015具有螺纹耦合器和单键/键槽极化,体现了设计上的最大简单性。应用包括军事地面支援设备、军械和舰载设备。安费诺工业操作制造五类连接器,以满足不同的要求。下面列出了类的名称和简要描述。A-固体外壳-用于一般的、非环境应用。
C-加压-适用于压力屏障的加压舱壁:限制空气泄漏,无论与之匹配的plua的类型和等级E/ f -环境抗应变减压设计用于连接器将暴露在潮湿、振动和压力和温度快速变化的应用场合R-轻量环保,比E级和F级长度更短,重量更轻。MS-R在不利条件下提供了高度的可靠性:推荐用于新的设计应用。
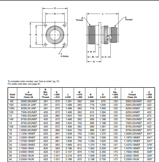
设计特点中等到较重的圆柱形耐用,战地desigr耐环境有弹性的插入工作电压在海平面3000 VAC (RMS)螺纹接头单键/键槽壳极化成本效益客户的选择五个shell风格19外壳尺寸从1到104个电路的305接点,焊接或压接接点,尺寸16-0,可接受22-0 AWG。同轴和热电偶接触选项五类名称交替插入定位密封的实现方式可用可用锌合金电镀(无镉).
MS-A和MS-CMS-A和MS-C类连接器在电源、测试和地面支持系统中执行许多重要功能。A类应用包括通讯设备、计算机和机械力和物理参数不受极端或快速环境变化影响的船上装置C类连接器最常用在高海拔或海上应用的加压舱壁或压力屏障上。在压差为30磅时,漏气限制在每小时1立方英寸。每平方英寸贝壳外壳部件采用高等级铝合金制造。导电镉板表面处理后橄榄褐色铬酸盐提供耐腐蚀联系人触点有焊接和卷曲两种版本可供选择。销和插座是机械从铜合金镀银完成。尺寸为16和12的插座触点采用封闭式入口设计。请参阅第49、67和68页以获得更多的联系信息。插入:镶件采用弹性氯丁橡胶,具有高介电强度、高抗弧性和抗振动性.
