
LMH6881是一款高速,高性能,可编程差分放大器。LMH6881具有2.4 GHz带宽和44 dBm OIP3的高线性度,适用于各种信号调理应用。
LMH6881可编程差分放大器结合了全差分放大器和可变增益放大器的优点。该器件可在整个增益范围内提供出色的噪声和失真性能,而无需外部电阻,因此仅一种器件和一种设计即可用于需要不同增益设置的多种应用。
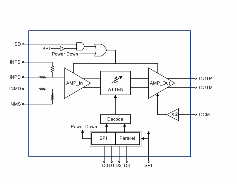
LMH6881是一款易于使用的放大器,可以替代全差分,固定增益放大器和可变增益放大器。LMH6881无需外部增益设置组件,并以0.25dB的小而精确的增益步长支持6dB至26dB的增益设置。LMH6881的输入阻抗为100Ω,易于从混频器或滤波器等多种来源进行驱动。LMH6881还支持50Ω单端信号源,并支持DC和AC耦合应用。
并联增益控制允许LMH6881以固定增益焊接,因此无需控制电路。如果需要动态增益控制,则可以使用SPI™串行命令或并行引脚来更改LMH6881。
LMH6881采用TI的CBiCMOS8专有互补硅锗工艺制造,并采用节省空间的耐热增强型24引脚四边形WQFN封装。与LMH6882一样,采用双封装提供相同的放大器。
小信号带宽:2400 MHz
100 MHz时的OIP3:44 dBm
100 MHz的HD3:–100 dBc
噪声系数:9.7 dB
电压增益范围:26 dB至6 dB
电压增益步长:0.25 dB
输入阻抗:100Ω
并行和串行增益控制
掉电能力