
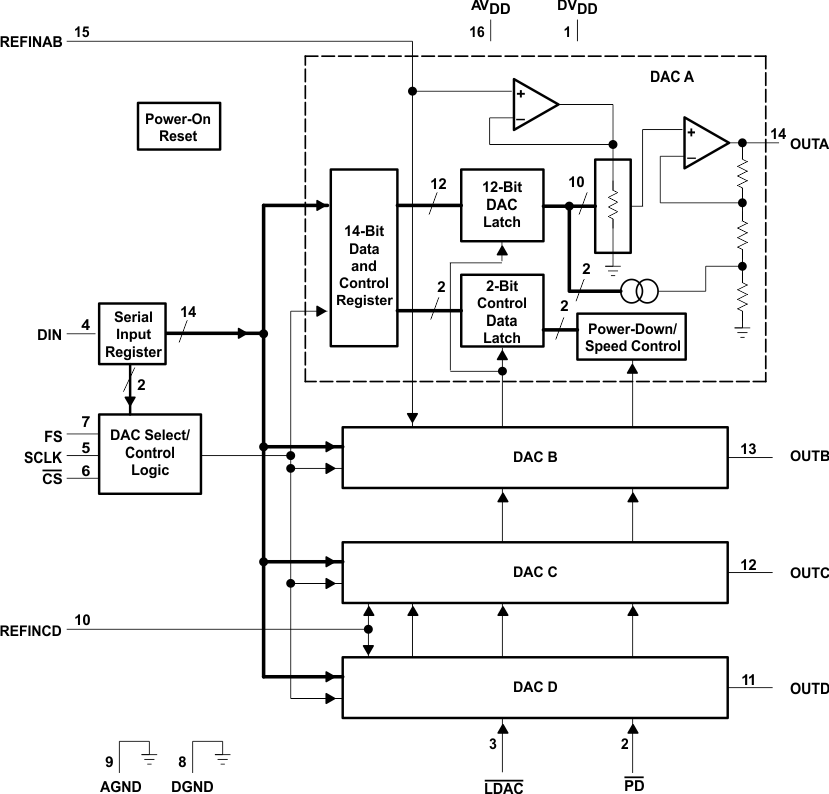
TLV5614 是一款四路 12 位电压输出数模转换器 (DAC),具有灵活的 4 线串行接口。4 线串行接口允许与 TMS320、SPI、QSPI 和 Microwire 串行端口的无缝接口。TLV5614 使用一个 16 位串行字进行编程,该字由一个 DAC 地址、各个 DAC 控制位和一个 12 位 DAC 值组成。该器件提供两种电源:一种用于串行接口的数字电源(通过引脚 DV DD和 DGND),另一种用于 DAC、参考缓冲器和输出缓冲器(通过引脚 AV DD和 AGND)。每个电源相互独立,可以是 2.7 V 和 5.5 V 之间的任何值。双电源允许典型应用,其中 DAC 将通过在 3 V 电源上运行的微处理器进行控制(也用于引脚 DV DD和DGND),DAC 工作在 5 V 电源上。当然,数字和模拟电源可以连接在一起。
电阻串输出电压由一个 x2 增益轨到轨输出缓冲器缓冲。该缓冲器具有 AB 类输出级,以提高稳定性并减少建立时间。轨到轨输出级和断电模式使其非常适合单电压、基于电池的应用。DAC 的建立时间是可编程的,以允许设计人员优化速度与功耗之间的关系。建立时间由 16 位串行输入串中的控制位选择。REFINAB 和 REFINCD 端子上集成了一个高阻抗缓冲器,以减少对端子的低源阻抗驱动的需要。REFINAB 和 REFINCD 允许 DAC A 和 B 具有与 DAC C 和 D 不同的参考电压。
TLV5614 采用 CMOS 工艺实现,采用 16 端子 SOIC 封装。TLV5614C 的工作温度范围为 0°C 至 70°C。TLV5614I 的工作温度范围为 –40°C 至 85°C。